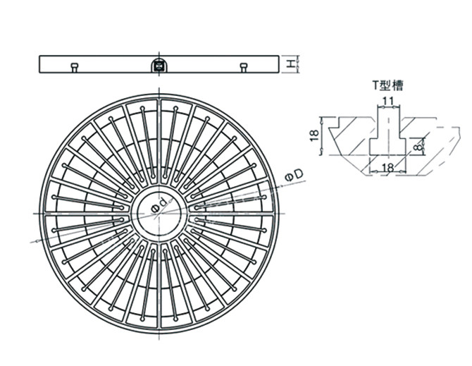
Product introduction:vertical lathe round electric permanent-magnetic chuck design using multiple magnetic circuit control system, magnetic force is adjustable, need not continue to the power supply after magnetization, through rapid joint connecting cable, workpiece clamping barrier-free, fr chining, really play the five surface processing function; A short moment electricity charge demagnetization coil not fever, disk without any thermal defor mation, ensure the machining accuracy. Have a variety of model size, can meet different needs
 Suggestions for use: There are two ways of installation (through hole/block). Please choose products according to the way of installation.
More specifications can be customized.
|